山東萬象環境科技有限公司
聯系人:毛經理
銷售電話:15666889815
銷售QQ:1950883583
公司地址:山東省濰坊高新區新城街道玉清社區光電路155號濰坊高新區光電產業加速器(一期)1號樓301

聯系人:毛經理
銷售電話:15666889815
銷售QQ:1950883583
公司地址:山東省濰坊高新區新城街道玉清社區光電路155號濰坊高新區光電產業加速器(一期)1號樓301

一、漂浮式水質自動監測站產品簡介
漂浮式水質自動監測站又稱水質浮標站,漂浮水質監測站,漂浮式水質自動監測站采用360°圓形平臺,水下搭載營養鹽、ADCP和多數水質傳感器,水上可安裝多參數氣象、GPRS通信等系統,能夠實時監測水環境中水質的情況,為水環境保護提供有效監測
1.水質浮漂監測站SFA集數據采集、存儲、傳輸和管理于一體的無人值守的采集系統。它在工農業生產、旅游、城市環境監測、地質災害、防洪、供水調度、電站水庫水情管理等為目的水文自動測報系統;功能強大的上位機軟件可遠程觀測實時水雨情信息,具有數據庫、報表、下載等功能,用戶還可利用該功能完善的氣象軟件對記錄的數據作進一步的處理分析。
2.SFA06款浮標是由水質傳感器(水溫、電導率、PH、溶解氧、氨氮、濁度)、數據采集儀、通訊系統、供電系統、整體 支架、水質監測平臺六部分組成。同時可擴展COD、葉綠素、懸浮物等多項水質要素。數據采集儀具有數 據采集、實時時鐘、數據定時存儲、參數設定和標準2G/4G(GPRS)通信功能。
二、漂浮式水質自動監測站產品特點
1.易部署:各類型探頭進行高度集成,安裝方便;提供免費云平臺服務,系統快速上線;
2.易維護:設備安裝后,自行工作即可,無需人工值守,也可以通過遠程監控的方式保障設備的正常運行;
3.易擴展:傳感器探頭均使用統一的通信協議,可以快速對接原設備,快速擴展監測參數;
4.低功耗:設備可以實現低功耗狀態下,長時間運行,增加設備使用的便利性;
5.實時性:設備監測到的數據實時傳輸至云平臺,提升環境數據反饋的及時性。
三、技術參數
1. 主體參數
| 產品名稱 | 描述 |
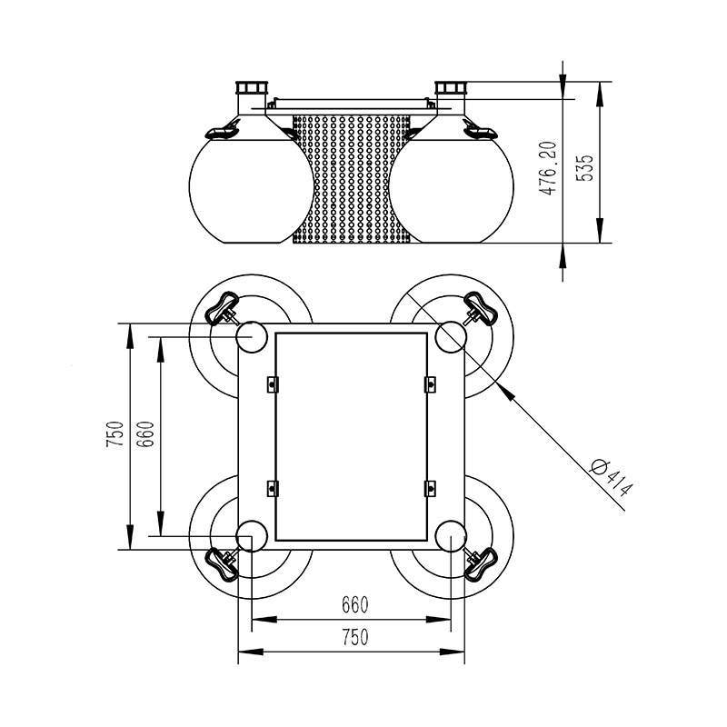
| 環境水質監測浮標 | 可實時實現多路參數在線監測。可實現電池電量監控。可實現云平臺數據監控、數據推送、數據的存儲和報警功能;數據的無線發射功能。峰值功耗為 5W;傳感器功耗 0.25W左右/只。外形尺寸:750mm*750mm*535mm。浮球直徑414mm重量:22kg |
| 采集器數據采集 | 運行可靠,抗干擾,可集成多路RS485/MODBUS-RTU從站設備 |
| 采集器數據輸出 | 1 路 Rs485/JSON協議輸出 |
| 電池 | 鋰電池 12VDC,20AH(默認) |
| 太陽能電池板 | 22.1V/50W(默認) |
| 供電能力 | 定制選型;陰雨天間歇工作 5天以上 |
| 位置指示(選配) | 警示燈;GPS 定位; |
| 監測平臺 | 云平臺;手機/電腦多終端登錄 |
| 防護罩 | 304 不銹鋼濾筒防護罩 |
| 浮體 | 直徑414mm 球形浮體*4工程塑料 |
2.可選配傳感器的主要參數
| 序號 | 名稱 | 測量范圍 | 測量原理 | 測量精度 | 是否標配 | 備注 |
| 1 | 溫度 | 0~50℃ | 高精度數字傳感器 | ±0.3℃ | ? | |
| 2 | pH | 0~14(ph) | 電化學(鹽橋) | ± 0.1PH | ? | |
| 3 | ORP | -1500mv~1500mv | 電化學(鹽橋) | ± 6mv | ||
| 4 | 電導率 | 0~5000uS/cm | 接觸式電極法 | ± 1.5% | ? | |
| 5 | 濁度 | 0~40NTU(低濁) | 散射光法 | ± 1% | 低濁可定制 | |
| 0~1000NTU(中濁) | 散射光法 | ± 1% | 中濁可定制 | |||
| 0~3000NTU(高濁) | 散射光法 | ± 1% | ? | 默認發 | ||
| 6 | 溶解氧 | 0~20mg/L | 熒光壽命法 | ± 2% | ? | |
| 7 | 氨氮 | 0-1000.00mg/L(默認) 0-100.00mg/l/(可定制) | 離子選擇電極法 | 讀數的10%, ±0.5℃ | ? | |
| 8 | cod | 0~500mg/ L | UV254 吸收法 | ±5% | 默認發、cod濁度一體;帶有自動清潔器,可防止生物附著,避免光窗污染,以保證長期監測依然具有穩定性;可設置自動清潔時間及清潔次數,功耗0.7W | |
| 濁度 | 0~400NTU | 散射光法 | ± 1% | |||
| 9 | 懸浮物 | 0~2000mg/L | 散射光法 | ±5%(取決于污泥同質性) | ||
| 10 | 葉綠素 | 0~400ug/L | 熒光法 | R2>0.999 | 帶有自動清潔器,可防止生物附著,避免光窗污染,以保證長期監測依然具有穩定性;可設置自動清潔時間及清潔次數,功耗0.7W |
四、產品尺寸圖

五、設備安裝要求
1.遠離大功率無線電發射源
2.遠離高壓輸電線和微波無線電傳送通道
3.盡量靠近數據傳輸網絡
4.遠離強電磁干擾
六、云平臺介紹
1.CS架構軟件平臺,支持手機、PC瀏覽器直接觀測.無需額外安裝軟件。
2.支持多帳號、多設備登錄
3.支持實時數據展示與歷史數據展示儀表板
4.云服務器.云數據存儲,穩定可靠,易于擴展,負載均衡。
5.支持短信報警及閾值設置
6.支持地圖顯示、查看設備信息。
7.支持數據曲線分析
8.支持數據導出表格形式
9.支持數據轉發,HJ-212協議,TCP轉發,http協議等。
10.支持數據后處理功能
11.支持外置運行javascript腳本
WX-CSW150S水深水溫探測儀的設計初衷就是為了解決傳統監測方式中的痛點。它巧妙地將水深測量和水溫測量兩個功能集成于一身,通過先進的傳感器技術和智能算法,實現了對兩個參數的同步監測。用戶只需將探測儀放入水中,即可在顯示屏上同時看到水深和水溫的實時數據,無需再進行繁瑣的切換和操作。...
WX-SFA04浮標式水質在線監測系統最大的優勢在于其連續性和實時性。無需人工干預,系統即可自動完成數據采集、處理、傳輸等流程,確保數據的準確性和時效性。一旦監測到水質異常,系統會立即發出警報,為管理部門提供及時、準確的決策依據,有效防止水質污染事件的擴散。除了基礎的數據監測外,該系統還具備強大的智能分析能力。通過大數據算法,對長期監測數據進行深度挖掘,預測水質變化趨勢,提前發現潛在污染風險。...
將多普勒原理應用于WX-ML1明渠流量監測站,實現了對傳統監測手段的顛覆性創新。傳統的明渠流量監測多采用浮標法、流速儀法等,這些方法不僅耗時耗力,且易受環境因素影響,測量精度有限。而多普勒明渠流量監測站,則通過高精度超聲波傳感器,實時、非接觸地測量水流速度,并結合渠道橫截面積數據,自動計算出流量值。...
WX-LSZ04湖泊多參數水質監測站的核心功能在于其能夠實時監測湖泊中的多種水質參數。這些參數包括但不限于水溫、電導率、PH、溶解氧等,它們共同反映了湖泊水體的整體狀況和污染程度。通過連續、高精度的監測,這些參數的變化能夠實時呈現在監測站的顯示屏上,或通過遠程傳輸系統直達管理人員的手機或電腦終端。...
想象一下,在碧波蕩漾的河面上,一個個智能浮標如同忠誠的哨兵,24小時不間斷地監測著水質的一舉一動。這些WX-SFB05河道水質監測設備,集成了最先進的傳感器技術、物聯網通信技術和大數據分析算法,能夠實時采集水體的水溫、電導率、PH、溶解氧、氨氮等多項關鍵參數,為水質管理提供了全面、精確的數據支持。...
我們或許更熟悉的是翻斗式雨量計或稱重式雨量傳感器,它們各有千秋,但在追求更高精度、更快響應速度的今天,WX-YJ3光學雨量監測站以其獨特的優勢脫穎而出。它利用光學原理,通過激光或紅外光束穿透雨幕,測量雨滴的數量、大小及速度,從而計算出降雨量,實現了對雨情的非接觸式、連續監測。...