山東萬象環境科技有限公司
聯系人:毛經理
銷售電話:15666889815
銷售QQ:1950883583
公司地址:山東省濰坊高新區新城街道玉清社區光電路155號濰坊高新區光電產業加速器(一期)1號樓301

聯系人:毛經理
銷售電話:15666889815
銷售QQ:1950883583
公司地址:山東省濰坊高新區新城街道玉清社區光電路155號濰坊高新區光電產業加速器(一期)1號樓301

水質浮標監測站又稱浮標水質監測站,浮標水質監測設備,水質浮標監測站是一款安裝在水環境中使用的水質監測設備,可以漂浮在水面環境中使用,能夠實時監測水溫、pH值、溶解氧、濁度、氨氮、重金屬含量等水質參數,還能將監測到的水質參數實時上傳水質監測平臺顯示,為有關部門的水質管理提供數據支持
詳細產品介紹及技術參數
1.水質浮漂監測站SFA集數據采集、存儲、傳輸和管理于一體的無人值守的采集系統。它在工農業生產、旅游、城市環境監測、地質災害、防洪、供水調度、電站水庫水情管理等為目的水文自動測報系統;功能強大的上位機軟件可遠程觀測實時水雨情信息,具有數據庫、報表、下載等功能,用戶還可利用該功能完善的氣象軟件對記錄的數據作進一步的處理分析。
2.SFA03款浮標是由水質傳感器(水溫、電導率、PH)、數據采集儀、通訊系統、供電系統、整體 支架、水質監測平臺六部分組成。同時可擴展溶解氧、氨氮、 濁度、COD,多項水質要素。數據采集儀具有數 據采集、實時時鐘、數據定時存儲、參數設定和標準2G/4G(GPRS)通信功能。
二、產品特點
1.易部署:各類型探頭進行高度集成,安裝方便;提供免費云平臺服務,系統快速上線;
2.易維護:設備安裝后,自行工作即可,無需人工值守,也可以通過遠程監控的方式保障設備的正常運行;
3.易擴展:傳感器探頭均使用統一的通信協議,可以快速對接原設備,快速擴展監測參數;
4.低功耗:設備可以實現低功耗狀態下,長時間運行,增加設備使用的便利性;
5.實時性:設備監測到的數據實時傳輸至云平臺,提升環境數據反饋的及時性。
三、技術參數
1. 主體參數
產品名稱 | 描述 |
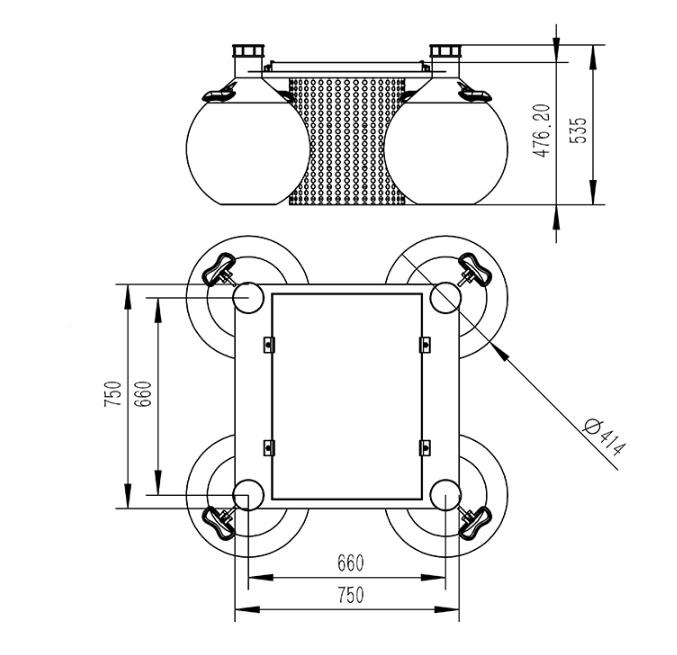
環境水質監測浮標 | 可實時實現多路參數在線監測。 可實現電池電量監控。 可實現云平臺數據監控、數據推送、 數據的存儲和報警功能;數據的無線發射功能。 峰值功耗為 5W;傳感器功耗 0.25W左右/只。 外形尺寸:750mm*750mm*535mm。浮球直徑414mm 重量:22kg |
采集器數據采集 | 運行可靠,抗干擾,可集成多路RS485/MODBUS-RTU 從站設備 |
采集器數據輸出 | 1 路 Rs485/JSON協議輸出 |
電池 | 鋰電池 12VDC,20AH(默認) |
太陽能電池板 | 22.1V/50W(默認) |
供電能力 | 定制選型;陰雨天間歇工作 5天以上 |
位置指示 (選配) | 警示燈;GPS 定位; |
監測平臺 | 云平臺;手機/電腦多終端登錄 |
防護罩 | 304 不銹鋼濾筒防護罩 |
浮體 | 直徑414mm 球形浮體*4工程塑料 |
2.可選配傳感器的主要參數
| 序號 | 名稱 | 測量范圍 | 測量原理 | 測量精度 | 是否標配 | 備注 |
| 1 | 溫度 | 0~50℃ | 高精度數字傳感器 | ±0.3℃ | ? | |
| 2 | pH | 0~14(ph) | 電化學(鹽橋) | ± 0.1PH | ? | |
| 3 | ORP | -1500mv~1500mv | 電化學(鹽橋) | ± 6mv | ||
| 4 | 電導率 | 0~5000uS/cm | 接觸式電極法 | ± 1.5% | ? | |
| 5 | 濁度 | 0~40NTU(低濁) | 散射光法 | ± 1% | 低濁可定制 | |
| 0~1000NTU(中濁) | 散射光法 | ± 1% | 中濁可定制 | |||
| 0~3000NTU(高濁) | 散射光法 | ± 1% | 默認發 | |||
| 6 | 溶解氧 | 0~20mg/L | 熒光壽命法 | ± 2% | ||
| 7 | 氨氮 | 0~100mg/l | 離子選擇電極法 | ±1mg | ||
| 8 | cod | 0~500mg/ L | UV254 吸收法 | ±5% | 默認發、cod濁度一體 | |
| 濁度 | 0~400NTU | 散射光法 | ± 1% | |||
| 9 | 懸浮物 | 0~2000mg/L | 散射光法 | ±5%(取決于污泥同質性) | ||
| 10 | 葉綠素 | 0~400ug/L | 熒光法 | R2>0.999 |
四、產品尺寸圖

五、設備安裝要求
1.遠離大功率無線電發射源
2.遠離高壓輸電線和微波無線電傳送通道
3.盡量靠近數據傳輸網絡
4.遠離強電磁干擾
六、云平臺介紹
1.CS架構軟件平臺,支持手機、PC瀏覽器直接觀測.無需額外安裝軟件。
2.支持多帳號、多設備登錄
3.支持實時數據展示與歷史數據展示儀表板
4.云服務器.云數據存儲,穩定可靠,易于擴展,負載均衡。
5.支持短信報警及閾值設置
6.支持地圖顯示、查看設備信息。
7.支持數據曲線分析
8.支持數據導出表格形式
9.支持數據轉發,HJ-212協議,TCP轉發,http協議等。
10.支持數據后處理功能
11.支持外置運行javascript腳本
WX-SFA05漂浮式水質自動監測站是一種集成了先進傳感器、自動化控制技術和遠程通信技術于一體的水質監測設備。它采用漂浮式設計,能夠自由漂浮在水面上,實現對水質參數的實時監測和數據采集。漂浮式水質自動監測站的技術原理主要基于先進的傳感器技術和自動化控制技術。傳感器是監測站的核心部件,它能夠實時監測水質參數如溶解氧、濁度、pH值、電導率等。...
WX-LSZ04河道水質在線監測站最省心的優勢,就是“在線”二字,能實現不間斷監測,不用人工頻繁干預。它不像傳統的水質監測那樣,需要人工定時去河道采樣、帶回檢測,而是一旦布設完成,就能自主開展工作,24小時不間斷捕捉水質變化,不管是白天還是黑夜,不管是晴天還是陰雨天氣,都能堅守崗位,讓水質監測變得高效又省心。...
WX-QSZ07在線實時多參數水質監測系統最大的特點是實現了從間歇式監測向連續式監測的轉變。系統內置的多種傳感器可以同時工作,每幾分鐘就能完成一輪完整的水質檢測,并通過數據傳輸網絡將結果實時傳回監控中心。這種即時性對于突發性水污染事件的早期預警尤為重要,能夠為應急處置爭取寶貴時間。...
WX-SS3便攜式pH計在保持高精度的同時,體積僅手掌大小,防水設計可直接浸入水體測量。還具備自動溫度補償功能,消除環境溫度對測量的影響,確保數據準確性。使用時只需校準后插入待測液體,數秒內即可獲取結果,非常適合需要頻繁移動檢測的場合。從實際應用來看,便攜式檢測設備的優勢主要體現在三個方面。首先,它提高了響應速度,發現水質異常時可立即復測確認,無需等待實驗室結果。...
WX-SFB06浮標水質監測站的工作原理相對簡單,但高效。傳感器模塊實時采集水質參數,并將數據發送至數據處理單元。數據處理單元對接收到的數據進行處理和分析,判斷水質是否達標。一旦水質參數超出預設范圍,數據處理單元會立即觸發預警系統,通過通信模塊將預警信息發送至相關部門或數據中心。相關部門可以根據預警信息,及時采取措施,保障水質安全。...
WX-S5水質在線氨氮溫度傳感器是一種專門用于實時監測水體中氨氮濃度和溫度的設備。它利用先進的傳感技術,能夠迅速、準確地測量出水體中的氨氮含量以及溫度值,為水質管理提供關鍵數據支持。這款傳感器通常由復合電極構成,電極由聚氯乙烯和離子活性物質制成,包括工作電極和參比電極。其工作原理基于離子選擇電極法,通過測量水樣中氨離子(NH4+)的電位變化,來確定氨氮的濃度。...